柴油發電機的充電機工作原理
2025-09-18(356)次瀏覽
1、工作原理
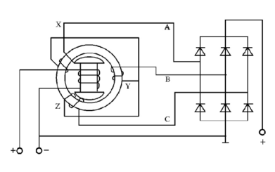
如圖A所示是交流發電機的工作原理圖。發電機的三相定子繞組按一定規律分布在發電機的定子槽中,彼此相差120°電角度,且匝數相等。三相繞組的首端分別接在整流器上,其末端連在一起,呈星形連接。
當轉子磁場繞組接通直流電時,產生了磁場,使轉子軸上的兩塊爪形磁極被磁化。當轉子旋轉時,形成旋轉磁場,磁力線被定子繞組切割。根據電磁感應原理,勢必在定子三相繞組中產生頻率相同、振幅相等、相位互差120°的正弦交流電動勢。每相繞組的電動勢的有效值E與轉子轉速n以及磁極磁通中成正比,即:E=Cen?
式中:E——每相繞組中電動勢的有效值(V);
C——電機結構常數;
n——轉子轉速(r/min);
?——每極磁通(Wb)

圖A 硅整流發電機工作原理
2、充電過程
當充電發電機被柴油發電機組的發動機帶動時,發電機跟隨旋轉,這時便有電壓和電流輸出,使蓄電池充電。柴油發電機組起動期間,充電機電壓小于蓄電池電壓時,整流二極管截止,充電機不能對外輸出,由蓄電池供給磁場電流。路徑為:蓄電池正極→點火開關SW→磁場繞組調節器→搭鐵→蓄電池負極。
說明:發電機的旋轉方向為順時針方向,皮帶輪對準自已。正極搭鐵。
3、搭鐵形式
① 內搭鐵型交流發電機
如圖B(a)所示,發電機磁場繞組的一端與發電機殼體連接的交流發電機。
② 外搭鐵型交流發電機
如圖B(b)所示,發電機磁場繞組的一端經點火開關接電源,另一端經調節器后搭鐵的交流發電機。

圖B 發電機搭鐵形式
溫馨提示:
以上信息摘自互聯網,若有侵犯版權,請隨時聯系我們刪除。
未經我方許可,請勿隨意轉載信息!
如果希望了解更多有關柴油發電機組技術數據與產品資料,請撥打熱線電話聯系我們:400 777 1996
最新資訊
-
電噴發動機與直噴發動機的區別
電噴柴油機和直噴柴油機在燃油噴射方式、技術特點、燃油效率、排...
-
如何確保數據中心柴油發電機組運行的可靠性
維護數據中心的柴油發電機是確保其在市電中斷時能夠立即且可靠地...
-
燃氣發動機類型及其差異
燃氣發動機是一種以燃氣為燃料的內燃機,它們根據不同的工作原理...
-
如何安全使用柴油發電機組
柴油發電機組必須由熟悉機組結構、掌握安全操作規程的人員操作。...
400-777-1996
服務熱線:400-777-1996
聯系電話:139 2744 6292
公司傳真:0755-28452115
公司郵箱:252538960@qq.com
公司地址:深圳市龍華區觀瀾街道廣培社區裕新路120號302





400-777-1996